Index of /bcu-interface

Icon  Name                    Last modified      Size  Description
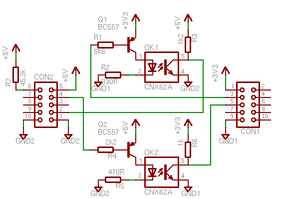
[PARENTDIR] Parent Directory - [IMG] IMG_4868.JPG 2026-02-14 00:10 1.0M [IMG] IMG_5144.JPG 2026-02-14 00:10 893K [IMG] bcu-uart-interface.png 2026-02-14 00:10 8.6K [   ] bcu-uart-interface.sch 2026-02-14 00:10 47K